淺層氣浮


概述與用途
在給水排水處理工藝程序中,固、液分離技術及其設備是關鍵項目之一。對于比重接近于水的微小懸浮顆粒的去除氣浮是超有效的方法之一。
該設備廣泛應用于給排水處理工程。一,應用于以湖泊水為水源的自來水廠除藻降濁;二、應用于工業污水處理工程,如石油化工、紡織、印染、電鍍、制革、食品工業等領域;三,應用于污水中有用物質的回收,如:造紙、漿柏水中的纖維回收等領域。
型號特點

特點
1.有效水深400-500mm
2.池內水力停留時間(3-5min)。
3.凈化量大,即表面負荷高。
4.占地面積小,單位負荷輕,全部預制構件組裝,不需要操作室,設備可以架空安裝,也可多層組合。
5.安裝維修費用低,易于清掃。
6.凈化程度高,懸浮物去除率達90%以上
7.該裝置采用JFA型溶氣系統,它結構巧妙,溶氣效率高達90%,體積僅為一般溶氣系統的五分之一。
產品主要工作原理
氣浮分離技術是指空氣與水在壓力條件下,使氣體大限度地溶入水中,力求處于飽和狀態,然后把所形成的壓力溶氣水通過減壓釋放,產生大量的微細氣泡,與水中的懸浮絮體充分接觸,使水中懸浮絮體粘附在微氣泡上,隨氣泡一起浮到水面,形成浮渣并刮去浮渣,從而凈化水質。
我公司開發JQF型淺層氣浮裝置,是一個快速氣浮系統,在傳統氣浮理淪的基礎上又成功地運用了“淺層理論”和“零速”原理,通過精心設計,集凝聚、氣浮、撇渣、沉淀,刮泥為一體,是一種水質凈化處理的設備。
工藝流程
參數及規格
主要技術參數
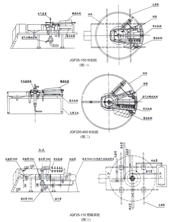
JQF型高效淺層氣浮裝置集凝聚、氣浮、撇渣、沉淀、刮泥為一體,整體呈圓柱形,結構緊湊,池子較淺。裝置主體由五大部分組成:池體、旋轉布水機構、溶氣釋放機構、框架機構、集水機構等。進水口、出水口與浮渣排出口全部集中在池體中央區域內,布水機構、集水機構、溶氣釋放機構都與框架緊密連接在一起,圍繞池體中心轉動。
本裝置提供成套設備總成及控制系統,通過集中控制與分散控制相結合,以使設備達到超佳運行狀態(詳見圖一和圖二)。
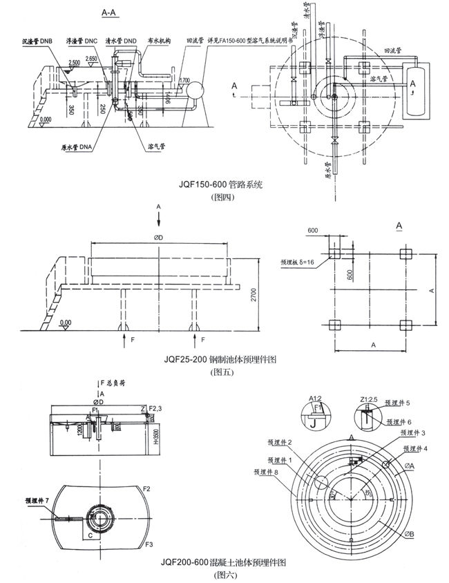
表6.JQF200-600混凝土池體預埋件參數表:(參見圖六)



![]() |
![]() |
在給水排水處理工藝程序中,固、液分離技術及其設備是關鍵項目之一。對于比重接近于水的微小懸浮顆粒的去除氣浮是超有效的方法之一。
該設備廣泛應用于給排水處理工程。一,應用于以湖泊水為水源的自來水廠除藻降濁;二、應用于工業污水處理工程,如石油化工、紡織、印染、電鍍、制革、食品工業等領域;三,應用于污水中有用物質的回收,如:造紙、漿柏水中的纖維回收等領域。
![]() |
![]() |
型號特點

特點
1.有效水深400-500mm
2.池內水力停留時間(3-5min)。
3.凈化量大,即表面負荷高。
4.占地面積小,單位負荷輕,全部預制構件組裝,不需要操作室,設備可以架空安裝,也可多層組合。
5.安裝維修費用低,易于清掃。
6.凈化程度高,懸浮物去除率達90%以上
7.該裝置采用JFA型溶氣系統,它結構巧妙,溶氣效率高達90%,體積僅為一般溶氣系統的五分之一。
![]() |
![]() |
產品主要工作原理
氣浮分離技術是指空氣與水在壓力條件下,使氣體大限度地溶入水中,力求處于飽和狀態,然后把所形成的壓力溶氣水通過減壓釋放,產生大量的微細氣泡,與水中的懸浮絮體充分接觸,使水中懸浮絮體粘附在微氣泡上,隨氣泡一起浮到水面,形成浮渣并刮去浮渣,從而凈化水質。
我公司開發JQF型淺層氣浮裝置,是一個快速氣浮系統,在傳統氣浮理淪的基礎上又成功地運用了“淺層理論”和“零速”原理,通過精心設計,集凝聚、氣浮、撇渣、沉淀,刮泥為一體,是一種水質凈化處理的設備。
工藝流程

參數及規格
主要技術參數
JQF型高效淺層氣浮裝置集凝聚、氣浮、撇渣、沉淀、刮泥為一體,整體呈圓柱形,結構緊湊,池子較淺。裝置主體由五大部分組成:池體、旋轉布水機構、溶氣釋放機構、框架機構、集水機構等。進水口、出水口與浮渣排出口全部集中在池體中央區域內,布水機構、集水機構、溶氣釋放機構都與框架緊密連接在一起,圍繞池體中心轉動。
本裝置提供成套設備總成及控制系統,通過集中控制與分散控制相結合,以使設備達到超佳運行狀態(詳見圖一和圖二)。


注:1、表中處理水量依據,回流比R=30%,水力表面負荷:q=6-8m3/m2.h。3、JQF25-JQF200,為鋼制池體,其工作荷載指整機正常工作時,土建地基承受的總負荷。
JQF200-JQF600為土建池體,其工作荷載指整機正常工作時,混凝土池體所承受的總負荷
例:JQF200其工作負載為45/37(t)其中,45t指池體為鋼制時,土建地基承受總負荷。37t指池體為混凝土時,混凝上池體所承受總負荷。
表3.JQF25-110管路參數表:(參見圖三)

表4.JQF150-JQF600管路參數表(參見圖四)

JQF200-JQF600為土建池體,其工作荷載指整機正常工作時,混凝土池體所承受的總負荷
例:JQF200其工作負載為45/37(t)其中,45t指池體為鋼制時,土建地基承受總負荷。37t指池體為混凝土時,混凝上池體所承受總負荷。
表3.JQF25-110管路參數表:(參見圖三)

表4.JQF150-JQF600管路參數表(參見圖四)

表5.JQF25-200鋼制池體預埋件參數表(參見圖五)
|
型號 |
A(mm) |
ØD(mm) |
H(mm) |
F承載/單立柱(公斤) |
|
JQF25 |
1510 |
Ø3000 |
2700 |
3000 |
|
JQF45 |
2300 |
Ø4000 |
2700 |
4200 |
|
JQF70 |
2600 |
Ø5000 |
2700 |
5300 |
|
JQFll0 |
3200 |
Ø6000 |
2700 |
7000 |
|
JQFl50 |
3500 |
Ø7000 |
2700 |
10000 |
|
JQF200 |
3900 |
Ø8000 |
2800 |
11000 |
表6.JQF200-600混凝土池體預埋件參數表:(參見圖六)
















